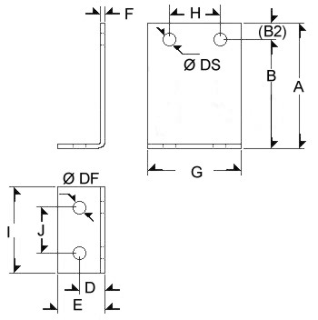
| Bezeichnung | Artikel-Nr. | Maß A [mm] |
Maß B [mm] |
Maß (B2) [mm] |
Maß D [mm] |
Maß E [mm] |
Maß F [mm] |
Maß G [mm] |
Maß H [mm] |
Maß I [mm] |
Maß J [mm] |
Ø DS [mm] |
Ø DF [mm] |
|---|---|---|---|---|---|---|---|---|---|---|---|---|---|
| IRC142 | 281 | 160 | 130 | 30 | 35 | 70 | 6 | 100 | 56 | 100 | 56 | 18 | 18 |
| IRC172 | 280 | 160 | 130 | 30 | 35 | 70 | 6 | 130 | 86 | 130 | 86 | 18 | 18 |
| IRC202 | 279 | 160 | 130 | 30 | 35 | 70 | 6 | 160 | 116 | 160 | 116 | 18 | 18 |
| IRC232 | 249 | 160 | 130 | 30 | 35 | 70 | 6 | 190 | 146 | 190 | 146 | 18 | 18 |
| IRC262 | 255 | 160 | 130 | 30 | 35 | 70 | 6 | 220 | 176 | 220 | 176 | 18 | 18 |
| IRC302 | 2088 | 6 | 250 | 195 | 250 | 195 | 18 | 18 | |||||
| IRC342 | 2089 | 6 | 300 | 235 | 300 | 235 | 18 | 18 | |||||
| irc_hea160-140c30d | 2722 | 144 | 114 | 30 | 56.5 | 100 | 8 | 100 | 42 | 100 | 50 | 18 | 18 |
| irc2815 | 2815 | 80 | 51 | 29 | 30 | 60 | 6 | 110 | 60 | 110 | 60 | 10.5 | 10.5 |
| irc3090 | 3090 | 104 | 74 | 30 | 35 | 70 | 6 | 110 | 110 | ||||
| irc262-3317 | 3317 | 160 | 130 | 30 | 35 | 70 | 6 | 220 | 176 | 220 | 176 | 18 | 18 |
| irc342m_ipe270 | 3354 | 30 | 35 | 70 | 8 | 300 | 240 | 300 | 240 | 18 | 18 | ||
| irc3356 | 3356 | 117.9 | 93.9 | 24 | 35 | 65 | 6 | 130 | 80 | 130 | 80 | 18 | 18 |
| irc3357 | 3357 | 140.4 | 116.4 | 24 | 35 | 65 | 6 | 130 | 80 | 130 | 80 | 18 | 18 |
| irc3409 | 3409 | 200 | 62 | 48 | 50 | 100 | 8 | 255 | 195 | 255 | 195 | 18x22 | 18 |
| irc3410 | 3410 | 200 | 62 | 48 | 50 | 100 | 8 | 255 | 195 | 255 | 195 | 18x22 | 18 |
| irc3411 | 3411 | 200 | 62 | 48 | 50 | 100 | 8 | 226 | 195 | 226 | 195 | 18x22 | 18 |
| irc3412 | 3412 | 76 | 51 | 25 | 49 | 74 | 6 | 200 | 146 | 200 | 146 | 18 | 18 |
| irc3415 | 3415 | 80 | 35 | 45 | 55 | 80 | 5 | 190 | 146 | 190 | 146 | 18 | 18 |
| irc3416 | 3416 | 70 | 35 | 35 | 45 | 70 | 5 | 190 | 146 | 190 | 146 | 18 | 18 |
| irc3417 | 3417 | 160 | 92 | 68 | 55 | 80 | 5 | 190 | 146 | 190 | 146 | 18 | 18 |
| irc3418 | 3418 | 120 | 70 | 50 | 70 | 120 | 5 | 190 | 80 | 190 | 146 | 18 | 18x22 |
| irc3450 | 3450 | 160 | 135 | 25 | 30 | 60 | 5 | 250 | 200 | 250 | 250 | 18 | 18 |
| irc3503 | 3503 | 60 | 35 | 25 | 35 | 60 | 6 | 229 | 199.3 | 229 | 199.3 | 14 | 14 |
| irc3540 | 3540 | 376 | 156 | 220 | 40 | 75 | 5 | 110 | 70 | 110 | 70 | 18 | 18 |
| irc3561 | 3561 | 200 | 130 | 20 | 50 | 80 | 5 | 130 | 80 | 130 | 80 | 18 | 18 |
| irc3562 | 3562 | 150 | 48 | 32 | 115 | 150 | 5 | 133 | 86 | 133 | 86 | 18x15 | 18x15 |
| irc3565 | 3565 | 120 | 98 | 22 | 35 | 60 | 5 | 142 | 86 | 142 | 86 | 18 | 18 |
| irc3645 | 3645 | 85 | 55 | 30 | 35 | 70 | 6 | 220 | 176 | 220 | 176 | 18 | 18 |
| irc3646 | 3646 | 120 | 98 | 22 | 35 | 60 | 6 | 142 | 86 | 142 | 86 | 18 | 18 |
| irc3648 | 3648 | 190 | 160 | 30 | 41 | 76 | 6 | 323 | 176 | 323 | 176 | 18 | 18 |
| irc3650 | 3650 | 190 | 160 | 30 | 45 | 80 | 6 | 239 | 176 | 239 | 195 | 18 | 18 |
| irc3701 | 3701 | 100 | 62 | 38 | 65 | 100 | 8 | 267 | 195 | 267 | 195 | 18 | 18x22 |
| irc3711 | 3711 | 100 | 70 | 30 | 40 | 65 | 10 | 180 | 100 | 180 | 100 | 14 | 14 |
| irc4032 | 4032 | 146 | 116 | 30 | 35 | 65 | 8 | 220 | 176 | 220 | 176 | 18 | 18 |
| irc4866 | 4866 | 154 | 125 | 29 | 35 | 60 | 6 | 100 | 61 | 100 | 61 | 18 | 18 |
| irc4892 | 4892 | 135 | 110 | 25 | 30 | 60 | 6 | 94 | 50 | 94 | 50 | 12 | 12 |
| irc5115 | 5115 | 140 | 40 | 100 | 35 | 70 | 6 | 130 | 0 | 130 | 86 | 18 | 18 |
| irc5116 | 5116 | 140 | 40 | 100 | 35 | 70 | 6 | 130 | 0 | 130 | 86 | 18 | 18 |
| irc5152 | 5152 | 120 | 75 | 45 | 45 | 70 | 10 | 280 | 120 | 280 | 50 | 18 | 14 |
| irc5153 | 5153 | 120 | 75 | 45 | 45 | 70 | 10 | 280 | 120 | 280 | 50 | 18 | 14 |
| irc5159 | 5159 | 70 | 35 | 35 | 35 | 70 | 6 | 170 | 116 | 170 | 116 | 18 | 18 |
| IRC172WS | 4709 | 160 | 130 | 30 | 35 | 70 | 6 | 130 | 86 | 130 | 86 | 18 | 18 |
| IRC142WS | 4710 | 160 | 130 | 30 | 35 | 70 | 6 | 100 | 56 | 100 | 56 | 18 | 18 |
BTSSB Bartmann Total Solutions in Steel Buildings - Casa Mondiale - CH-6745 Giornico
Tel.: 0041-(0)91 864 2230 - FAX: 0041-(0)91 864 2235
E-Mail: info@pfettenschuhe.com
URL: www.pfettenschuhe.com - www.pfettenschuhe.eu
www.pfettenschuhe.de - www.pfettenhalter.com
Impressum l AGB l Datenschutzerklärung l Copyright© BTSSB All rights reserved

